ADVANCED ACCELEROMETER SOLUTIONS

SDI 2460 & 2466 ACCELEROMETERS

Three-axis MEMS accelerometers engineered for rugged environments and stable, low-noise output.

Meet the SDI 2460 & 2466: Triaxial Sensors Built for Industrial Demands

The Models 2460 and 2466 are triaxial MEMS DC accelerometers designed to deliver consistent, accurate data in challenging test and measurement environments. Each model includes three orthogonally mounted sensors in a compact, rugged aluminum case, perfect for vibration monitoring, structural testing, and multi-axis motion tracking. The 2460 includes a fixed 3-foot cable, while the 2466 offers a connector version for customized cable lengths. With multiple g-range options (±2g to ±400g) and cable-length support up to 2000 feet, they offer tailored plug-and-play performance with minimal signal loss.

Key Performance Features

  • Low Noise: 10 μg/√Hz Typical for ±2g Full Scale Versions
  • -55 to +125°C Operating Temperature Range
  • Acceleration and Vibration Sensing Across Three Orthogonal Axes
  • Excellent Long-Term Stability
  • Flexible +8 to +32 VDC Power
  • ±4V Differential Output or 0.5V to 4.5V Single Ended Output
  • Responds to frequencies from zero (DC) to 4000+ Hz
  • Low Impedance Outputs Support up to 2000 Feet of Cable
  • Simple Eight (8) Wire Connection, Choice of Integrated Cable or Connector
  • Rugged Anodized Aluminum Case
  • Fully Calibrated and Serialized for Traceability

Reliable Triaxial Sensing with Low Noise and Industrial Durability

The SDI 2460 and 2466 deliver accurate triaxial measurements in demanding applications where shock, vibration, and installation flexibility are key.

Rugged and Versatile in Any Setup

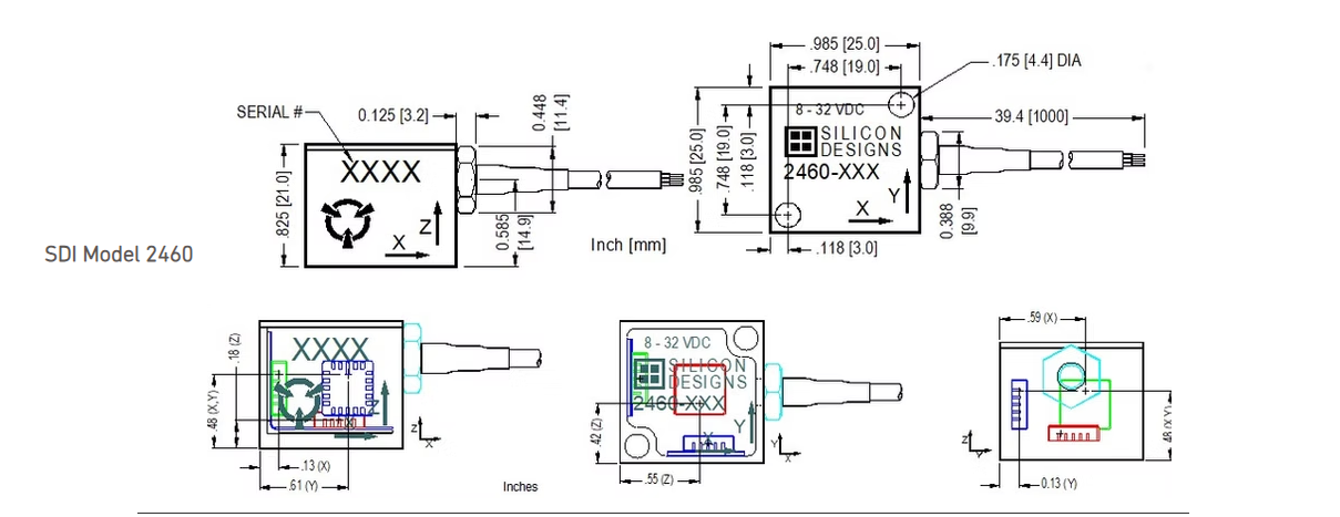
Each model is tailored for installation flexibility. The 2460 features an integrated 3’ cable in a traditional 1-inch square package, while the 2466 is designed with a connector in a similar package.

Long-Lasting Performance

The SDI 2460 and 2466 are manufactured to maintain performance over time. With onboard voltage regulation and an internal amplifier, these industrial test and measurement accelerometers deliver reliable readings without needing supplemental equipment.

Compare Specifications

Access the full specifications chart to evaluate available g-ranges, frequency responses, sensitivity, and shock ratings for optimal performance in your environment.
g Range Sensitivity,
Differential
Frequency
Response
(Typ, 3 dB)
Frequency
Response
(Min, 3 dB)
Frequency
Response
(Typ, 5%)
Output Noise,
Differential
(RMS, Typ)
Max. Mechanical
Shock (0.1 ms)
g mV/g Hz Hz Hz μg/(root Hz) g (peak)
±2 2000 0 – 525 0 – 300 0 – 250 10 2000
±5 800 0 – 800 0 – 420 0 – 400 15 2000
±10 400 0 – 1100 0 – 660 0 – 700 23 5000
±25 160 0 – 1750 0 – 1050 0 – 1300 38 5000
±50 80 0 – 2100 0 – 1400 0 – 1600 60 5000
±100 40 0 – 3000 0 – 1700 0 – 1700 121 5000
±200 20 0 – 3600 0 – 2100 0 – 1900 243 5000
±400 10 0 – 4200 0 – 2400 0 – 2000 475 5000

Each SDI 2460 and 2466 triaxial accelerometer features three orthogonally mounted low noise accelerometers within a single, rugged, epoxy sealed, anodized aluminum case. Onboard voltage regulation and an internal voltage reference eliminate the need for precision power supplies. They are relatively insensitive to temperature changes and gradients. Individual axis directions are marked on the case with positive acceleration defined as acceleration in the direction of the axis arrow. The robust, anodized aluminum case is epoxy sealed and can be mounted easily via two screws, an adhesive, or by attaching a magnet.

Need Help Choosing the Right Accelerometer?

Not sure which accelerometer fits your project? Talk to an SDI expert today. Our sales engineers provide quick, same-day replies whenever possible and offer tailored support to help you solve your sensing challenges.

Performance and Packaging

Choose the 2460 for an integrated cable or the 2466 for a connector that allows custom-length cabling. Both models are compact, lightweight, and built to integrate easily into existing systems using adhesives, mounting screws, or magnetic fixtures.

Package Dimensions

Package Dimensions

Package Dimensions

Package Dimensions

Performance – All Versions

All Models: Unless otherwise specified, Vs=+8 to +32 VDC, TC=25°C, Differential Mode. Span = ±g range = 8000 mV.

PARAMETER MIN TYP MAX UNITS
Bias Calibration Error (%) 0.25 0.6 ± % of span
Bias Calibration Error (mV) 25 60 ± mV
Scale Factor Calibration Error 1 0.5 1.25 ± %
Non-Linearity (-90 to +90% of span) 1 0.15 0.5 ± % of span
Bias Temperature Shift (Coefficient) -200 0 +200 (PPM of span)/°C
Scale Factor Temperature Shift (Coefficient) -200 0 +200 PPM/°C
Cross Axis Sensitivity 2 3 ± %
Power Supply Rejection Ratio 50 >65 dB
Output Impedance 1
Output Common Mode Voltage 2.5 VDC
Operating Voltage 8 32 VDC
Operating Current (AOP & AON open) 19 23 27 mA DC
Operating Temperature -55 +125 °C
Mass (not including cable) 21 grams
Cable Mass (3’ integrated cable, 2460) 25 grams/foot

Note (1): For 2g thru 50g only; 100g and greater versions are tested and specified from -65 to +65g.

NOTICE: Stresses greater than those listed may cause permanent damage to the device. These are maximum stress ratings only. Functional operation of the device at or above these conditions is not implied.

Operational Highlights

SDI Models 2460 and 2466 MEMS DC Accelerometers provide optimal performance when they are connected to instrumentation in a differential configuration using both the AOP and AON output signals, but they also support single ended operation for complete flexibility.

These accelerometers produce differential analog output voltage pairs (AON & AOP) which vary with acceleration. The signal outputs are fully differential about a common mode voltage of approximately 2.5 volts. At zero acceleration, the output differential voltage is nominally 0 volts DC; at ±full scale acceleration, the output is ±4 volts DC, respectively, as shown in the figure. The output scale factor is independent from the supply voltage of +8 to +32 volts.

When a differential connection is not possible, SDI recommends connecting the accelerometer to instrumentation in single ended mode by connecting AOP and GND to the instrumentation and leaving AON disconnected. Keep in mind that the signal to noise ratio and sensitivity is reduced by half for a single-ended vs. a differential connection.

Frequently Asked Questions

Here are some of the most common questions we get about our MEMS accelerometers, and the answers that can help you move forward with confidence. For an extensive list, please visit our FAQ page.
Why does the accelerometer read zero G's when it's in free fall?

All accelerometers are used to measure increasing or decreasing acceleration, and they can detect vibration because it is a change in acceleration between multiple directions.  Free fall, by definition, is a static acceleration, which means the object may be moving, but its acceleration is not changing at all. SDI’s MEMS DC accelerometer technology allows it to measure free fall because it doesn’t require any change of acceleration to supply data, and therefore it will report back 0g of acceleration.

How do I choose the right g-range for my application?

The g-range of your accelerometer should match the maximum acceleration your system is expected to experience—but avoid going unnecessarily high. Selecting too high of a g-range can reduce measurement clarity, while too low of a range can cause the sensor to saturate if the acceleration exceeds its limit. Also consider the frequency response. Each Silicon Designs sensor has a MEMS sense element tuned to its specific g-range, which affects its frequency range and noise profile. Be sure to check the product datasheet or visit our How To Choose Your Accelerometer guide for more detailed recommendations. You can also reach out to our team for help identifying the best fit for your application.

My accelerometer appears to be broken. When I place it on the desk with the lid facing up, it reads +1G. How do I fix this?

SDI’s MEMS DC accelerometers are designed to respond to the Earth’s gravity. If you are on Earth, then you are in a +1g gravitational field. Turn the device over and you will see a -1g reading, which you can use to perform your own bias calibration of the device. Visit our Technology page to learn more about how SDI’s accelerometers work. Also see the How to Calibrate Your Accelerometer page for how to use this feature for self-calibration.

Do I need a charge amplifier or signal conditioning to use my Silicon Designs MEMS DC accelerometer module?

All Silicon Designs MEMS DC accelerometers feature integrated amplifiers, so an additional one is not required. Signal conditioning is optional.

Are Silicon Designs plug-&-play MEMS DC accelerometer modules waterproof? What is their IP designation?

While all modules are considered weatherproof, only Models 2240 and 2480 may be used while submerged. We recommend the protection of the connector from exposure. Please Contact Us prior to use, and we’ll walk you through the process. The IP designation of the other modules is IP61.

Optional Accessories

Silicon Designs offers a range of accessories designed to streamline installation, configuration, and testing. These include calibrated test sets, mounting blocks, and connector-ready adaptors, each built to support our accelerometers and extend their functionality with minimal added cost.
MODEL 2232 MAGNETIC MOUNTING BLOCK

MODEL 2232 MAGNETIC MOUNTING BLOCK

The 0.385" thick Model 2232 Magnetic Mounting Block attaches any Silicon Designs MEMS DC accelerometer module onto a flat, ferrous metal surface. The mount has been evaluated for up to +/50G, is rated with 10 lbs / 4.6 KG pull force, and performance is dependent on the quality of the mounting surface.
  • Rugged blue anodized aluminum construction
  • Block mass = 23 grams
Explore Product
MODEL 2235 1-AXIS STUD MOUNT BLOCK

MODEL 2235 1-AXIS STUD MOUNT BLOCK

The 0.25" thick Model 2235 Stud Mount Adaptor Block converts any Silicon Designs MEMS DC accelerometer module into a stud-mounted, single screw attachment for your test fixture.
  • Rugged black anodized aluminum construction
  • Block mass = 6.2 grams
Explore Product

Need a Single Axis Version?

For applications that require sensing on just one axis, the Models 2210, 2260, and 2266 offer the same performance in single-axis packages.
MODEL 2210 1-AXIS MODULE

MODEL 2210 1-AXIS MODULE

The 2210 is SDI's #1 selling 1-axis module. It's a rugged, low-cost workhorse in a traditional 1" square package with a 3' integrated cable. The 2210 is an excellent choice for most 1-axis test and measurement applications. The 2210 is fully potted for added resilience.
  • Power: +8 to 32 VDC
  • Output:
    • Differential: +/- 4 V
    • Single Ended: +0.5V to +4.5V
  • Connection: Integrated Cable
  • Mass: 10 grams
  • Package: Anodized Aluminum
  • Temperature: -55 to +125°C
  • Available:
    • 2g
    • 5g
    • 10g
    • 25g
    • 50g
    • 100g
    • 200g
    • 400g
  • rail monitoring
  • agricultural machinery testing
  • active suspension feedback system
  • validation testing
  • crash sled instrumentation
Explore Product
MODEL 2260 1-AXIS MODULE

MODEL 2260 1-AXIS MODULE

The 2260 is the skinny version of the 2210 and the lowest mass module SDI builds. The 2260s are operationally identical to the 2210s, but they are built into small footprint packages for use in tight spaces or lightweight applications. They come with an integrated 3' cable and are fully potted.
  • Power: +8 to 32 VDC
  • Output:
    • Differential: +/- 4 V
    • Single Ended: +0.5V to +4.5V
  • Connection: Integrated Cable
  • Mass: 6 grams
  • Package: Anodized Aluminum
  • Temperature: -55 to +125°C
  • Available:
    • 2g
    • 5g
    • 10g
    • 25g
    • 50g
    • 100g
    • 200g
    • 400g
  • interactive theater seat controls
  • ride comfort & NVH
  • crash test sleds
  • naval equipment development
  • lab equipment
Explore Product
MODEL 2266  1-AXIS MODULE

MODEL 2266 1-AXIS MODULE

The 2266 has the same footprint as a 2260 to accommodate tight spaces but has a connector for easy repositioning and quick cable change-outs. They are fully potted yet remain lightweight.
  • Power: +8 to 32 VDC
  • Output:
    • Differential: +/- 4 V
    • Single Ended: +0.5V to +4.5V
  • Connection: Connector
  • Mass: 8 grams
  • Package: Anodized Aluminum
  • Temperature: -55 to +125°C
  • Available:
    • 2g
    • 5g
    • 10g
    • 25g
    • 50g
    • 100g
    • 200g
    • 400g
  • Heavy machinery vibration
  • Autonomous vehicle development
  • Automotive system tuning
  • Structural impact detection
  • Consumer product R&D
Explore Product
Sales and Support

Reliable Customer Support from Start to Finish

Choosing the right accelerometer is critical. Our team supports its customers from selection through integration. Whether you need assistance with technical specifications, compliance requirements, or bulk order pricing, we are here to help.
Get a Quote

Our sales team is available to assist with pricing, lead times, and customized solutions tailored to your specific needs. We work closely with you to ensure you get the best accelerometer solution for your application.

Request a Quote

Order Now

With a streamlined ordering process and secure procurement options, placing an order with SDI is simple and efficient. Our commitment to fast processing ensures minimal downtime for your projects.

Order on Digikey

Tech Support

From initial setup to ongoing performance optimization, our technical support team provides expert guidance to ensure proper integration and reliable sensor operation.

Contact our Tech Team

Our Distributors

Our experienced U.S. sales representatives provide direct assistance for domestic customers, ensuring a smooth procurement process with personalized service. International customers can rely on our global distributor network for localized support, timely deliveries, and expert guidance in their regions.

View US Distributers

View International Distributors

Sign Up For Our Newsletter

Sign up for our newsletter to receive the latest insights on sensor technology, industry trends, and product updates. Be the first to know about advancements in MEMS accelerometers and how they can benefit your applications.

  • This field is for validation purposes and should be left unchanged.