ADVANCED ACCELEROMETER SOLUTIONS

SDI MODELS 2230, 2232 & 2235 MODULE MOUNTING BLOCKS

Mount SDI accelerometers securely and accurately with rugged aluminum blocks engineered for 1-axis, 2-axis, or 3-axis configurations.

Meet the SDI 2230, 2232 & 2235: Secure Mounting for Single and Multi-Axis MEMS Modules

These precision-machined mounting blocks offer reliable support for SDI single-axis accelerometer modules. Whether you need orthogonal alignment for triaxial setups, magnetic mounting for temporary placement, or low-profile stud mounting for tight spaces, this series covers it all.

Constructed from black anodized 6061-T6 aluminum and designed for field or lab use, each model helps engineers mount sensors consistently without introducing signal noise or compromising integrity.

Fast Setup, Safe Handling, and Repeatable Results

Developed to ensure secure, repeatable installation of MEMS accelerometers across test, R&D, and OEM environments, SDI mounting blocks help users configure, position, and maintain precise accelerometer alignment with minimal setup complexity.

Model 2230-BLK Orthogonal Mounting Block

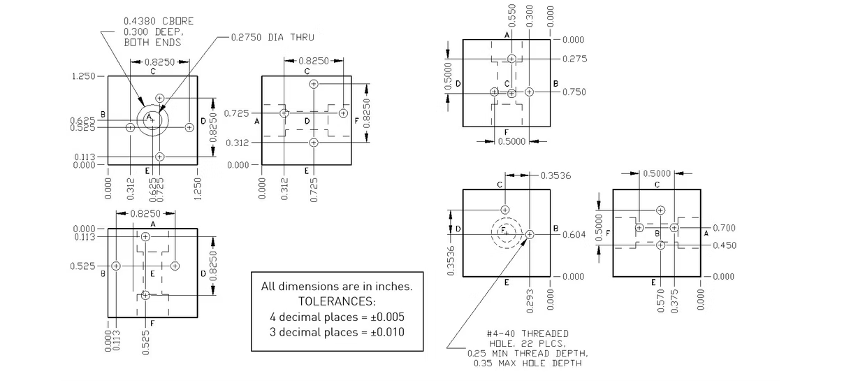
The 2230-BLK mounts up to three SDI single-axis accelerometers in an orthogonal layout for custom triaxial configurations. It’s made from anodized aluminum, weighs 79 grams, and includes all fasteners for attaching both sensors and the block to a work surface.

Model 2232-BLK Magnetic Mounting Block

The 2232-BLK provides quick, temporary mounting to ferrous surfaces using a strong 10 lb magnet. Rated up to ±50g and weighing just 23 grams, it includes M3 and M4 screws and is ideal for repositionable setups in lower acceleration environments.

Model 2235-BLK Single Axis Stud Mount Block

The 2235-BLK is a compact, low-profile block for mounting a single SDI accelerometer using a central #10-32 stud. Weighing only 6.2 grams, it’s a simple, secure option for tight spaces and lightweight applications.

Need Help Choosing the Right Accelerometer?

Not sure which accelerometer fits your project? Talk to an SDI expert today. Our sales engineers provide quick, same-day replies whenever possible and offer tailored support to help you solve your sensing challenges.

Performance and Package Dimensions

Precision machined and anodized for corrosion resistance. Compatible with all SDI single-axis accelerometer modules and ready for use in both prototyping and final deployments.

Model 2230-BLK Orthogonal Mounting Block

Model 2230-BLK <span>Orthogonal Mounting Block</span>

Model 2232-BLK Magnetic Mounting Block

Model 2230-BLK <span>Orthogonal Mounting Block</span>

Model 2235-BLK Single Axis Stud Mount Block

Model 2230-BLK <span>Orthogonal Mounting Block</span>
Sales and Support

Reliable Customer Support from Start to Finish

Choosing the right accelerometer is critical. Our team supports its customers from selection through integration. Whether you need assistance with technical specifications, compliance requirements, or bulk order pricing, we are here to help.
Get a Quote

Our sales team is available to assist with pricing, lead times, and customized solutions tailored to your specific needs. We work closely with you to ensure you get the best accelerometer solution for your application.

Request a Quote

Order Now

With a streamlined ordering process and secure procurement options, placing an order with SDI is simple and efficient. Our commitment to fast processing ensures minimal downtime for your projects.

Order on Digikey

Tech Support

From initial setup to ongoing performance optimization, our technical support team provides expert guidance to ensure proper integration and reliable sensor operation.

Contact our Tech Team

Our Distributors

Our experienced U.S. sales representatives provide direct assistance for domestic customers, ensuring a smooth procurement process with personalized service. International customers can rely on our global distributor network for localized support, timely deliveries, and expert guidance in their regions.

View US Distributers

View International Distributors

Sign Up For Our Newsletter

Sign up for our newsletter to receive the latest insights on sensor technology, industry trends, and product updates. Be the first to know about advancements in MEMS accelerometers and how they can benefit your applications.

  • This field is for validation purposes and should be left unchanged.